绝缘电阻测试包括测量绝缘电阻的装置的测试,而相位和中性被短路在一起,测得的阻力必须高于国际标准的指示限值,兆欧表(也称为绝缘电阻测试仪然后,垓欧表)被用于测量下的极大的稳定性的直流电压的绝缘体的欧姆值。为了测量高值电阻,使用用于测量低值电流的技术。将恒定电压源施加到待测电阻,并在可以显示电阻值的高灵敏度电流表电路上读取所得电流。
在我们的绝缘电阻测试仪系列中使用两种类型的电流表电路,每个电路根据要测量的电阻值进行选择。
1.安规绝缘测试
其目的是在稳定性很高的直流电压下测量绝缘的欧姆值,通常为50,100,250,500或1000 VDC。绝缘电阻的欧姆值以兆欧(MΩ)表示。为符合特定标准,绝缘电阻测试可在高达1500VDC的电压下进行。由于电压源的稳定性,可以通过1伏的步长调节测试电压。
电压的稳定性至关重要; 在绝缘不良的情况下,未调节的电压将急剧下降,这将导致错误的测量。
2.安规设计分流安培计电路

与电阻相关的电压表输入形成分流安培计电路。此设置允许测量I的任何值,灵敏度和RI值的许多组合。
此电路用于对应于低的值的电阻测量(LX 10高的值的电流测量4 Ω至2.10 6 Ω) 。
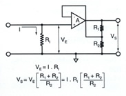
3.安规设计反馈安培计电路

这个电路是我们仪器上常用的电路。它覆盖了高的值大于2.10的高电阻测量6 Ω。 原理如下图所示。
输入电流流过反馈Rc,放大器的低电平偏移电流可忽略不计地影响
4.安规测试高电阻率测量
使用恒定电压源可以准确 定义用于测量的电压值,选择这个电压是一个重要的参数。实际上,高电阻的值取决于施加于其上的电压,其他因素干预了高阻值测量,温度和相对湿度是影响绝缘子电阻值的两个重要参数。我们在新的Sefelec模型上提供这两个物理参数(M1501P)的测量。在下表中,可以找到绝缘材料的近似电阻值。

5.保护电路
为了大限度地减少漏电流,我们提供保护连接。保护电路允许减少对测试样品的干扰。在我们仪器的前面板上可以访问的终端允许测量Delta配置的电阻之一(即具有两个导体的电缆及其外部屏蔽),因此结果不受另外两个分流器的存在的影响电阻。
1.为此,保护端子接近仪器测量输入的电位。
2.如果通过兆欧表输入测量的电流lx 实际上是流经Rx的电流,则将非常精确地定义Rx的值。
3.Rp1:表示高压(HV)连接和地之间的泄漏。
4.Rp3-Rp4:表示Rx的并行泄漏,如果中间点Rp2-Rp4连接到防护装置,则这些泄漏不会影响Rx的测量。
5.Rp2:如果防护装置接地,则不会产生影响。







