1.EMI(电磁干扰)
无线电波和高频电磁波冲击电子设备,以及施加影响的电磁波。
导电噪声:通过电缆和电路板布线传输的噪声
>差分(正常)模式噪声:与电源线之间的电流方向相同的
噪声>共模噪声:通过杂散电容等的噪声金属外壳
等返回信号源 -
辐射噪声:通过空气发出的噪声
2·EMS(电磁敏感性)
即使存在
电磁波干扰和干扰(EMI:导电噪声和辐射噪声),也能抵抗或避免损坏。
3·EMC(电磁兼容性)
EMI + EMS。排放对策和免疫措施
作为EMI,与通路相关的是传导噪声和辐射噪声; 根据传播方式,导电噪声进一步分为差分噪声和共模噪声。上面的内容有点粗糙,但是提前必须知道的低限度。
EMI对策
当开关电源电路的EMI影响其他电路时,采取EMI对策。本质上,用于阻抗匹配或用作旁路/滤波器元件的电容器或电阻器 - 电容器电路被添加到切换大电流的节点和线路。

1)C12,R17:RC缓冲器添加到输出整流二极管
与输入缓冲器一样,这些组件可减少开/关切换期间出现的尖峰。请参考此 有关输入缓冲器的信息。C12在500V时设置为1000 pF,R17设置为约10Ω,1 W。
2)C10:
在初级侧和次级侧之间添加Y电容器在初级侧和次级侧的地之间添加称为Y电容器的电容器。这是通过隔离变压器的绕组上的电容减小初级侧开关噪声在次级侧引起的共模噪声的一种典型方法。Y电容器的额定电压必须等于变压器的绝缘电压。选择约2200pF的电容。
3)C11:在MOSFET Q1 的漏极和源极之间添加电容器有一种方法是在MOSFET 的漏极和源极之间添加一个电容器,以减少由于高速开关引起的关断时的浪涌。这也是一种缓和。但是,会导致更大的损失,因此必须注意温度的升高。这里,使用耐压为1kV的10至100pF电容器。
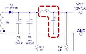
输出噪声对策
当然,开关电源的输出电压包括波纹,这取决于开关频率; 此外,还存在源自谐波,电感和电容的噪声。当这样的噪声分量成为问题时,在输出中添加LC滤波器是有效的。
从10μH的电感L和大约10到100μF的C10开始,在观察噪声分量的同时调整这些值。
以上是噪声的主要对策,有必要测量噪声并确认噪声对其他设备的影响,为了进行适当的噪声测量,测量环境和测量设备是必不可少的。当不能进行这样的定量测量时,仍然可以通过设备的S / N比来确定噪声是否对性能有影响。
这里描述的措施是用于电源电路配置的对策。噪声的出现还与电路板布局,元件布置,元件性能等有关。在某些情况下,可能需要将LC滤波器从简单的L型扩展为π型或T型,或者为电路板提供屏蔽,或以其他方式修改设计。
此外,根据设备规格,例如应满足国际无线电干扰特别委员会(CISPR)制定的标准或其他一些噪声相关标准。当必须符合标准时,从设计阶段就牢记这些事项是非常重要的。
贝斯通检测科技,专业从事产品emc认证、fcc认证、提供电磁兼容全套整改方案,详情咨询工程师!
免费电话:我们
阅读本文的人还阅读了:
1.开关电磁兼容EMC设计:噪声应对策略
2、电磁兼容EMC设计技巧2: 连接器接地ESD





