为电子产品FCC认证设计PCB:每个电子设计师的指南
你有一个最好的想法在城里的电子产品,但是认证是否会阻碍你的成功?根据贝斯通的研究,所有首次电磁兼容性(EMC)测试中近50%会导致故障,我们都知道这意味着什么 - 重新定价,成本暴涨以及产品的设计失败。在这篇文章中,我们将揭开点此产品FCC认证的神秘面纱,这样您就可以设计出第一次通过的电子产品。
一、电子产品设计和FCC认证
美国联邦通信委员会(FCC)成立于1934年,是无线电频谱的守门人,它知道在美国各地使用的设备和频率。为什么设备首先需要加以监管?帮助防止潜在的干扰。FCC通过确保每种产品都满足RF辐射和电磁兼容性的特定限制来控制事情。
二、哪些是不需要做FCC认证的对象?
“(a)对于未上市,不是用工具包制造,并且为个人用途而建造的数量为5或更少的设备,不需要设备代办。
(b)人们认识到,自建设备的个体建造者可能不具备进行测量以确定是否符合规定的手段。在这种情况下,建筑商应采用良好的工程实践,以在最大可行范围内达到规定的技术标准。
三、FCC认证测试什么?
FCC要求在美国销售和销售的电子设备符合电磁兼容性(EMC)和射频(RF)发射的特定指南,两个一般测试类别是:
a.EMC测试,此测试将测量设备在各种操作条件下生成的EMF字段的强度。
b.射频测试,该测试将测量电磁频谱上特定射频内生成的EMF场。
根据这两个测试类别,如果您的设备具有RF组件,可以假设您只需要关注FCC,任何时钟速度超过8 KHz的电子设备都会产生某种干扰或噪音,美国联邦通信委员会继续定义设备如何有意或无意地辐射干扰。
四、什么是故意辐射器
这些设备有意发射RF信号并包括所有典型的无线模块,如WiFi,蓝牙,Zigbee等。这些设备必须经过FCC的测试和认证才能在美国销售和销售。

五、什么是无意的辐射器
这些设备无意中发出干扰/噪声,可能包括切换电源噪声,扩展时钟轨迹或由邋ground地面浇注或跟踪短截线产生的天线等。虽然这些设备需要进行测试,但不需要将结果发送给FCC。

无论您的设备是国际还是无意的辐射器,您都需要FCC文档来支持它。这可以有三种形式:
1.验证,通过在独立或FCC验证的测试实验室进行测试来验证设备。如果FCC敲响,需要将您的产品保存在报告中。
2.符合性声明,这些设备在经过认证的FCC测试实验室进行测试。测试报告还需要与您的产品一起保存,但不需要发送给FCC。
3.认证,需要认证的设备在经认可的FCC测试实验室进行测试。测试报告将发送给FCC审核,提交,并希望通过。
【现在1.2已经合并为SDOC认证】
六、电子产品不合符FCC认证要求的罚款
FCC合规性的测试和认证过程成本较高,了解您的预期投资的第一步是确定您的设备是无意或有意的辐射器,一旦定义,您需要确定您的设备是否需要验证,符合性声明或认证文书工作。对于无意辐射器,47 CFR 15第15.101节的B部分列出了以下设备类型及其要求的符合性:

故意辐射器需要认证,这些设备的测试和认证过程可能需要四到六周,我们还看到测试中心花了十个月的时间在一台设备上工作,过程将根据您的产品规格和所选测试实验室的响应性而有所不同。
电子产品FCC认证费用多少?
故意辐射产品成本在8,000元到20,000元之间才能获得设备认证,只需要验证或符合性声明的设备运行在1,000元到5,000元之间。
还有一个不合规费用的痛苦主题,2016年7月1日,联邦通信委员会对违反规定的产品处以罚款,每次违规产品或违规行为持续存在的每一天,最高罚款从37,500美元上升到47,350美元,持续违规行为也从40万美元上升到473,402美元。
七、怎样使您的电子产品快速通过FCC认证?
FCC提供的认证类型称为模块化认证,这基本上允许您作为设计人员购买已经过认证的无线模块,可用于您的设计。
如果您想在产品开发的早期阶段避免与FCC排放测试相关的所有细节,成本和文书工作,这是一种很好的方法。有很多公司为BLE,WiFi,Zigbee,GSM和其他无线技术制作模块。

他们产品已经通过了FCC批准的过程,并销售包括芯片,平衡 - 不平衡转换器,天线,晶体和屏蔽的模块,这些模块可以快速焊接到PCB上。当您使用其中一个经过认证的模块时,您根本不必担心FCC有意辐射测试。
我们通常会看到设计团队在计划生产小批量产品时使用这些模块。这使他们能够快速开始他们的开发过程,而无需在FCC繁忙工作中占用宝贵的资源。一旦产品起飞,财务状况到位,团队通常会考虑设计自己的RF技术。有两种类型的模块需要了解:
什么是预认证模块?
这些模块由制造商生产,该制造商已采取获得FCC认证所需的所有步骤。通过使用这些模块,您将获得符合FCC要求的优势,但您也将受限于您选择的天线。
生产这些模块的OEM将与EMC测试实验室合作,对可与变送器配合使用的少数天线进行认证。这意味着作为最终用户,您需要选择用于通过FCC指南的相同天线。大多数预认证模块都附带一本集成手册,概述了该设备如何适应您现有的设计项目。
在考虑预先认证的模块时,请记住以下几点:
| 阳性 | 否定 |
| 可以帮助您快速启动产品开发过程。 | 显着高于设计自己的RF模块的成本。 |
| 消除故意辐射合规的风险。 | 只能使用特定的天线类型和调制方案。 |
| 允许无线技术快速集成到您的设备中 | 你受制造商供应的摆布。 |
非认证模块
也许您没有预算花在认证模块上,或者您将尽快制作自己的RF设备。如果是这样,那么非认证模块值得一看。这些模块尚未通过官方认证测试,这意味着您需要自己进行测试。但是,它们确实提供了一种经济有效的方法来快速构建想法。
免责声明:这条路不适合疲惫。我们已经看到足够多的公司将非认证模块集成到他们的电路板中,但在测试实验室中却失败了。数千美元后来和推迟上市的几个星期教给他们一个艰难的教训。仅使用非认证模块作为临时措施,而不是现场解决方案!
在考虑非认证模块时,请记住以下几点:
| 阳性 | 否定 |
| 成本低于认证模块,非常适合预算紧张和原型。 | 与设计自己的RF模块相比,成本更高。 |
| 天线和调制相位选择更灵活。 | 仍然受制造商供应的摆布。 |
| 仍然可能比尝试设计自己的RF模块更好。 | 没有FCC认证,你是独立的。 |
1.组件和豁免产品
如果您仍在寻找避免测试产品的麻烦的方法,那么我们有两个最后的选择。首先,您的设备可以使用几种免除的产品类别。这些类别可以在“联邦法规”第47篇第15部分第15.103节中找到。
还可以选择将您的设备保持在FCC对子组件的定义范围内。这些被定义为数字设备的子系统,其不作为较大系统的一部分进行销售。如果它们作为系统的一部分进行销售,那么它们将需要遵守FCC规定。
2.彻底研究您的组件
在原型设计阶段,这是一个很好的成本削减策略。但是,当您将该模块留在FCC测试过程中时,如果它返回失败,请不要感到惊讶。
为避免这种混乱,我们建议您对所有组件进行彻底的研究。在理想的世界中,我们说只使用预先认证的模块,但您需要考虑所有组件,而不仅仅是无线组件。以下是一些要记住的提示:
a、请务必检查以确保您没有使用可能导致设备其他部件出现干扰问题的组件。具有长迹线的传感器是许多示例之一。
b、请注意连接外部组件的电线和电缆。这些将始终发射电磁(EM)辐射。
c、对于预先认证的模块,双重和三重检查您使用的是原始认证中使用的天线。如果你不这样做,那么你需要自己提交测试。
3.识别无意的辐射器
你最近在电源线上看过铁氧体磁珠吗?这些小汽缸是排放灾难最后解决方案的标志。这也是一个指标,设计师要么没有时间,要么没有花时间担心设备产生的噪音。
不要等待灾难发生,而是要预先知道EMI问题往往会有许多问题来源。您有时可以通过调整最响亮的EMI源来完成测试,但最好的办法是减少所有辐射器的频率。
为此,首先需要识别设计中的所有无意辐射器,这可以包括以下内容:
a.数字时钟
b.开关电源
c.电机驱动程序
d.具有重复电流泵浦的组件
所有这些设备都将在排放测试中看到,您的目标是识别这些噪声制造者是什么,以及在开始EMC测试之前如何调低它们。
4.计划您的电路策略
在识别出所有无意的辐射器之后,您可以开始降低功耗或限制其高次谐波输出的过程。在规划电路策略时,请牢记以下准则:
如果您的信号用于低带宽路径,则不需要完美无缺的方波和皮秒上升时间。对于I / O驱动程序,这意味着它只需要足够强大的九次谐波内容及以上。
直流电动机可能是EMF灾难,在设计使用电枢电刷的直流电机时,您可能需要在电机上包含一个100 pf或0.1 uF的电容,以实现正确的电弧放电。您还需要PCB和电机之间的两个共模扼流圈以及电机上的反激二极管或缓冲电路 来保护驱动晶体管。

5.减少您的板载天线尺寸
天线有自己的发射源问题,这些问题通常源于一系列较小的天线。因此,我们建议尽可能减少板载天线尺寸,并将它们封闭在地平面之间。您还可以在信号线周围使用板载层和泛光接地层,以帮助降低EMI并改善信号完整性。
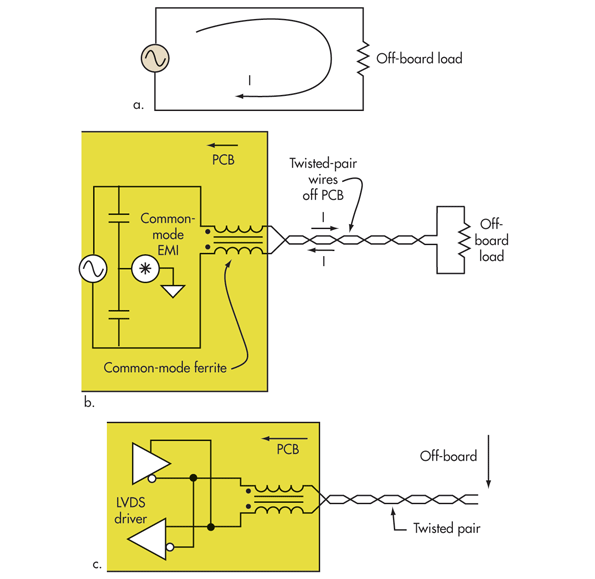
6.注意外部联系
将PCB连接到外部连接的导线由于其长度而成为最常见的辐射源之一,务必使用双绞线在两根导线之间创建紧密的共模特性,这将有助于产生接地参考信号,并保持外部电线连接的完整性和阻抗,它还有助于避免从开环导线创建环形天线。

请记住,双绞线无法帮助减少来自两条线的共模辐射,因为它们会辐射相同的信号,在这种情况下,您需要共模扼流圈来减少辐射。
对于USB和以太网等高速线路,请在双绞线的两端插入共模线圈,这将确保来自PCB的共模EMI不会进入导线。它还可以减弱设备两端的任何接地反弹。
对于电源连接,请务必将两根导线穿过相同的共模铁氧体扼流圈,这样做可以抵消直流电流并最大限度地减少铁氧体中产生的磁场,扼流圈应安装在外壳出口处的PCB上。
7.考虑一个屏蔽盒
考虑为具有各种噪声源的设计添加屏蔽盒。如果您正在塑料外壳中使用消费类设备,那么您可以在外壳内选择导电涂层。在机箱上与机械团队合作时,请务必在设计过程的早期阶段确定法拉第笼的要求。

8.PCB布局策略
有大量的布局策略会影响RF设计中的发射。我们不能在这里全部介绍它们,但这里有一些指导方针可以帮助您入门:
a.减少迹线长度
始终尽可能缩短走线长度,因为这有助于减少EMI问题。多短?这取决于你的设计。作为一般准则,保持您的信号输入尽可能短的接收路径。此外,保持接收器及其输入靠近在一起。这两个放置考虑因素自然会导致更短的痕迹。
b.注意你的接地实践
理想情况下,在设计中使用一个坚固的地平面,并使用精心布线的返回路径。使用两个单独的接地层会导致电路部分的参考不同,从而增加干扰的可能性。
还要确保将任何旁路或去耦电容直接连接到地,以减少干扰的可能性。通向太长的接地路径会增加EMI的风险。
c.使用旁路电容器降低噪音
您可以在直流分量附近放置旁路电容,以降低噪声并产生更清晰的直流信号。对于放置,您可以使用电路板的底部,这为顶层上的过孔和扇出迹线提供了额外的空间。
总结:
以上是正对电子产品FCC认证方面的技巧总结,如有疑问,请始终选择使用预先认证的模块,以使您的设计快速进行。这些模块为FCC合规性提供了一条简单有效的途径,无需任何繁忙工作。对于那些敢于设计自己的RF模块的人,请务必依靠您最宝贵的资源,测试中心以及我们在此处介绍的设计策略。







