反激系统是一种广泛用于高达100W的开关电源的方法,我们在这些文章的开头讨论了反激作为示例。
有三种类型的反激系统:
1.自激振铃扼流圈转换器(RCC);
2.单独激励PWM型;
3.准谐振型将共振技术应用于RCC。
RCC类型主要用于小功率应用,例如系统辅助电源单元。然而,由于与PMW类型相比设计复杂性稍微增加并且由于具有内置MOSFET的PMW型IC的日益普及,在小功率应用中,RCC类型被PMW类型取代。在准谐振型中,控制由专用IC提供。由于PMW型与PWM相比具有低噪声和低损耗的特点,因此它已经进入某些应用领域。
在AC / DC转换中,反激式系统虽然经常用于基于交换系统的AC / DC转换,但也可用于变压器系统,然而与线性调节器相比,反激系统需要更多的部件,这需要增加成本; 因此其使用仅限于需要足够绝缘的应用。
反激系统的一个特点是简单,需要更少的元件作为开关调节器。
在不需要大量输出精度的应用中,可以根据变压器绕组比设置近似输出电压,以用作未调节的电源单元,调节输出需要增加一个控制开关晶体管的电路。
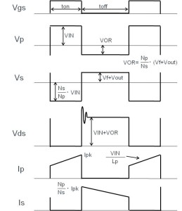
图18
此外,反激系统提供了适应宽输入电压范围的优点,其代价是流入开关元件,二极管和输出电容器的相对大的峰值电流。通过光耦合器将反馈线与次级侧(输出)绝缘,可以构建绝缘电源。
我们现在参考图18描述反激系统的基本操作,当MOSFET导通时,电流流到变压器的初级绕组,产生能量积累。在这种情况下,二极管保持关闭状态,当MOSFET关断时,存储的能量通过二极管从变压器的次级绕组输出,随后的整流/平滑动作产生DC电压。由于这些操作,反激系统有时被称为开/关系统。
emc设计反激系统关键点:
使用变压器进行DC / DC转换具有广泛的应用,因此,必须充分了解反激系统的基本操作。
贝斯通检测是一家从事emc认证、fcc认证、蓝牙无线产品检测的高科技服务公司,拥有众多授权资质(认监委cnas资质),相关产品检测可在线咨询贝斯通工程师!
免费电话:我们
阅读本文的人还阅读了:
1.电磁兼容emc设计:使用电容器处理噪声
2.电磁兼容EMC的基础知识:什么是串扰?





