之前的文章解释了基于变压器系统的AC / DC转换涉及AC - 低AC整流/平滑(DC) - [可选:DC调节],基于开关系统的AC / DC转换涉及AC整流/平滑(DC)调节的DC(AC整流/平滑-DC调节)。
在该部分中,我们在每个系统中描述了一种方法,用于将由上述文本中用蓝色表示的整流/平滑产生的DC电压转换成所需的调节DC电压。
关于基于开关系统的AC / DC转换,我们使用表达式“斩波DC转换为AC并再次对其进行整流/平滑以产生DC。”然而,因为该过程本身是开关DC / DC转换以下我们将其简称为“开关DC / DC转换”,而不是线性DC / DC转换。
基于变压器系统的DC/DC转换部件
虽然有些读者可能认为DC / DC等于切换,但严格来说DC / DC仅意味着将DC转换为DC。在以下描述中,我们将假设DC / DC转换涉及切换和线性转换方法。

基于开关系统的DC / DC转换部件
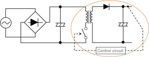
如图所示;其示出了基于AC / DC转换系统的电路,圆圈内的部分表示将给定DC电压转换为期望DC电压的块。实际上,在许多情况下,转换器不能用作电子电路的电源单元,除非转换成调节和精确的DC电压。
DC / DC转换(稳压)系统关键点:
变压器系统需要根据需要添加稳压DC / DC转换器。在切换方法中,提供控制电路提供DC输出的调节。
相关产品emc设计、电磁兼容整改问题,可以在线咨询贝斯通工程师,我们会根据您的产品提供全套解决方案!
免费电话:我们
阅读本文的人还阅读了:
1、电磁兼容emc设计基础知识:什么是反激系统?
2、电磁兼容设计基础知识:DC / DC转换的原理






